| ТЕПЛОРОСТ | Дата: Понедельник, 27.05.2013, 09:26 | Сообщение # 1 |
 Генералиссимус
Группа: Проверенные
Сообщений: 4004
Награды: 1
Репутация: -1
Статус: Offline
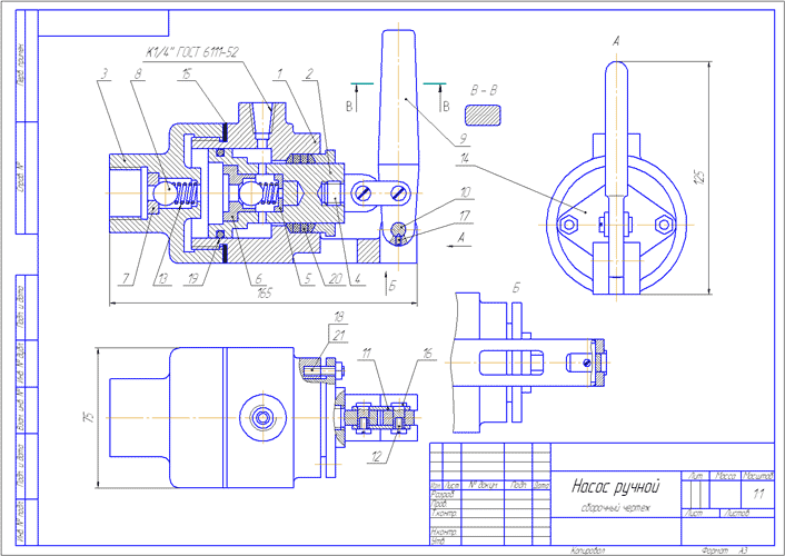
| На этой странице вы можете бесплатно скачать сборочный чертеж, принципиальную схему или план:
Чертеж ручного насоса. Ручной насос данной конструкции является поршневым двойного действия.
Нажмите на картинку для увеличения изображения
Источник: программа Autocad 2013, Компас 3D 2011, DWG Viewer 2010
Оформление чертежей с размерами соответствуют ГОСТ и СНИП
Смотреть чертеж лучше с помощью программы Djvu Reader 2008
_____________________________________________________
Скачать техническую информацию, инструкции, сертификаты и разрешения
Купить оборудование для систем тепло-водоснабжения
Цены на тепловое оборудование
Скачать прайс лист
Опросные листы
Сертификаты
Скидки
|
| |
| |