[ Новые сообщения · Участники · Правила форума · Поиск · RSS ]
 
Работай из дома! 18+

  • Страница 1 из 1
  • 1
На мотоблоке Нева выскакивает скорость. Видео
GrazanДата: Вторник, 21.05.2019, 16:22 | Сообщение # 1
Лейтенант
Группа: Проверенные
Сообщений: 41
Награды: 0
Репутация: 0
Статус: Offline


 
Работай из дома! 18+
 
 


На мотоблоке Нева выскакивает скорость. Видео



Регулировка переключателя передач мотоблока НЕВА, что бы не выскакивала скорость передач

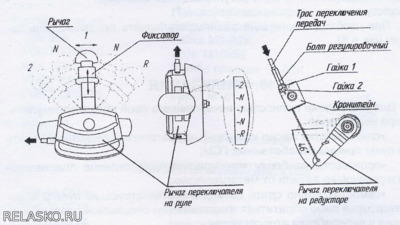
Включите передачу заднего хода, переведя рычаг переключателя на руле в положение “R” (см. рис.), убедитесь, что рычаг переключателя на редукторе опустился в нижнее положение.

Расконтрите Болт регулировочный, отвернув Гайку 1.

Заверните от руки Болт регулировочный до упора вниз.

Потяните трос переключения передач за оболочку вверх, при этом рычаг переключателя на редукторе должен подняться вверх вслед за тросом, затем отпустите оболочку троса, трос должен сам вернуться на место под действием пружины на рычаге переключателя передач.

Далее от руки не прилагая больших усилий, выворачивайте вверх Болт регулировочный до появления ощутимого сопротивления (усилия). Выворачивая Болт необходимо полностью выбрать люфт (свободный ход) оболочки троса.

Вывернув Болт регулировочный до ощутимого сопротивления (усилия), законтрите его, завернув Гайку 1 с небольшим усилием, момент затяжки не должен превышать 4 Нм (при заворачивании Гайки 1 придерживайте Болт регулировочный ключом, чтобы он не поворачивался вслед за Гайкой 1).

Далее запустите двигатель мотокультиватора и проверьте работу переключателя передач, попеременно включая ту или иную передачу. Проведённая регулировка должна обеспечить чёткое и правильное включение передач.

В случае если переключатель передач не отрегулировался должным образом, подрегулируйте его: Вновь рас контрите Болт регулировочный, отвернув Гайку 1 (при отворачивании Гайки 1 придерживайте Болт регулировочный ключом). Выверните Болт регулировочный вверх на один оборот и законтрите его, завернув Гайку 1 (при наворачивании Гайки 1 придерживайте Болт регулировочный ключом). Снова проверьте работу переключателя передач (см. п.7).

При необходимости ещё раз подрегулируйте переключатель передач (см. п. 8).



На мотоблоке Нева выскакивает скорость. Видео



Мотоблок Нева МБ2 Редуктор: устройство, разборка- сборка,ремонт



Маленькая хитрость для мотоблока Нева мб-2.

Фото: 3239619.png (740.6 Kb) · 8269769.jpg (190.5 Kb)


 
 
  • Страница 1 из 1
  • 1
Поиск:

Работай из дома! 18+
 
 
 
 
 
 

 
Последние темы на форуме:
 
  • Новогодние праздники 2021-2022 официальные выходные
  • Показатели давления и сердцебиения у женщины 57 лет
  • Гороскоп на декабрь 2021 Женщина Телец
  • Гороскоп на январь 2022 от Павла Глоба
  • Гороскоп на декабрь 2021 от Павла Глоба
  • Гороскоп на ноябрь 2021 от Павла Глоба
  • Стенограмма судьбы - Содержание серий, актеры и роли сериала
  • Мосгаз. Западня - Содержание серий, актеры и роли 2021
  • Тобол - Содержание серий, актеры и роли сериала. 2021
  • Гороскоп для Тигра на сегодня от Павла Глоба
  • Утраченные воспоминания - Содержание серий, актеры и роли
  • Чёрно-белая любовь - Содержание серий, актеры и роли сериала
  • Забытая женщина - Содержание серий, актеры и роли сериала
  • Тайна спящей дамы - Содержание серий, актеры и роли сериала
  • Сериал Часы с кукушкой - Содержание серий, актеры и роли
  •  
     

     
    Обращаем ваше внимание на то, что данный интернет-сайт www.kinolog.do.am носит исключительно информационный характер и ни при каких условиях не является публичной офертой, определяемой положениями Статьи 437 (2) Гражданского кодекса РФ. Цена и наличие товара может отличаться от действительной. Пожалуйста, уточняйте цены и наличие товара у наших менеджеров.
    Администрация сайта не несет ответственности за действия и содержание размещаемой информации пользователей: комментарии, материалы, сообщения и темы на форуме, публикации, объявления и т.д.
    Правообладателям | Реклама | Учебники | Политика
    Отопление, водоснабжение, газоснабжение, канализация © 2003 - 2021
    Рейтинг@Mail.ru Рейтинг арматурных сайтов. ARMTORG.RU Яндекс.Метрика