[ Новые сообщения · Участники · Правила форума · Поиск · RSS ]
 
Работай из дома! 18+

  • Страница 1 из 1
  • 1
Лаб. работа №3 Измерение ЭДС и внутреннего сопротивления
HillaryДата: Четверг, 21.12.2017, 11:33 | Сообщение # 1
Полковник
Группа: Проверенные
Сообщений: 231
Награды: 0
Репутация: 0
Статус: Offline


 
Работай из дома! 18+
 
 


Лабораторная работа №3 «Измерение ЭДС и внутреннего сопротивления источника тока»



«Физика. 10 класс» Г. Я Мякишев, Б. Б. Буховцев. ФИПИ. ФГОС. Школа России. 21 век.

Презентация на тему: Лабораторная работа №3 «Измерение ЭДС и внутреннего сопротивления источника тока»

ГДЗ и решебник по предмету Физике. Лабораторные работы по Физике с ответами можно бесплатно скачать к себе на компьютер, телефон, планшетник или смартфон в любом формате. Потом в свое свободное время можно решать задачи онлайн или офлайн. А также проверить сразу решения и правильные ответы на задания лабораторной работы. Ответы, вывод, пояснения и решение на лабораторную работу смотрите ниже. Таблица и описание опыта можно прочитать или посмотреть по видео.



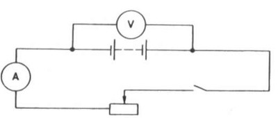
Цель работы: научиться определять ЭДС и внутреннее сопротивление источника тока. Схема электрической цепи, которой пользуются в этой работе, показана на рисунке.



При разомкнутом ключе ЭДС источника тока равна напряжению на внешней цепи. В эксперименте источник тока замкнут на вольтметр, сопротивление которого должно быть больше внутреннего сопротивления источника тока г. Обычно сопротивление источника мало, поэтому для измерения напряжения можно использовать школьный вольтметр со шкалой 0-6 В и сопротивлением Rв = 900 Ом. Так как сопротивление источника обычно мало, то действительно Rв>> r. При этом отличие Е от U не превышает десятых долей процента, поэтому погрешность измерения ЭДС равна погрешности измерения напряжения. Внутреннее сопротивление источника тока можно измерить косвенно, сняв показания амперметра и вольтметра при замкнутом ключе. Действительно, из закона Ома для замкнутой цепи получаем Е = U + Ir, где U = IR - напряжение на внешней цепи. Поэтому Для измерения силы тока в цепи

можно использовать школьный амперметр со шкалой 0-2 А.



Вывод: Были получены результаты измерений, в ходе эксперимента работы с приборами для определения ЭДС и внутреннего сопротивления источника тока.

Видео. Лабораторная работа №3 «Измерение ЭДС и внутреннего сопротивления источника тока»





Смотрите еще лабораторные работы из 10 класса:


Лабораторная работа №1 «Опытная проверка закона Гей-Люссака»

Лабораторная работа №2 «Измерение модуля упругости (модуля Юнга) резины»

Лабораторная работа №3 «Измерение ЭДС и внутреннего сопротивления источника тока»

Лабораторная работа №4 «Измерение удельного сопротивления проводника»

Лабораторная работа №5 «Изучение последовательного и параллельного соединения проводов»

Лабораторная работа №6 «Наблюдение действия магнитного поля на ток»

Лабораторная работа №7 «Определение заряда электрона»

Фото: 7864471.jpg (5.4 Kb) · 2545495.png (1.0 Kb) · 5756702.png (21.9 Kb)
 
 
  • Страница 1 из 1
  • 1
Поиск:

Работай из дома! 18+
 
 
 
 
 
 

 
Последние темы на форуме:
 
  • Новогодние праздники 2021-2022 официальные выходные
  • Показатели давления и сердцебиения у женщины 57 лет
  • Гороскоп на декабрь 2021 Женщина Телец
  • Гороскоп на январь 2022 от Павла Глоба
  • Гороскоп на декабрь 2021 от Павла Глоба
  • Гороскоп на ноябрь 2021 от Павла Глоба
  • Стенограмма судьбы - Содержание серий, актеры и роли сериала
  • Мосгаз. Западня - Содержание серий, актеры и роли 2021
  • Тобол - Содержание серий, актеры и роли сериала. 2021
  • Гороскоп для Тигра на сегодня от Павла Глоба
  • Утраченные воспоминания - Содержание серий, актеры и роли
  • Чёрно-белая любовь - Содержание серий, актеры и роли сериала
  • Забытая женщина - Содержание серий, актеры и роли сериала
  • Тайна спящей дамы - Содержание серий, актеры и роли сериала
  • Сериал Часы с кукушкой - Содержание серий, актеры и роли
  •  
     

     
    Обращаем ваше внимание на то, что данный интернет-сайт www.kinolog.do.am носит исключительно информационный характер и ни при каких условиях не является публичной офертой, определяемой положениями Статьи 437 (2) Гражданского кодекса РФ. Цена и наличие товара может отличаться от действительной. Пожалуйста, уточняйте цены и наличие товара у наших менеджеров.
    Администрация сайта не несет ответственности за действия и содержание размещаемой информации пользователей: комментарии, материалы, сообщения и темы на форуме, публикации, объявления и т.д.
    Правообладателям | Реклама | Учебники | Политика
    Отопление, водоснабжение, газоснабжение, канализация © 2003 - 2021
    Рейтинг@Mail.ru Рейтинг арматурных сайтов. ARMTORG.RU Яндекс.Метрика